您现在所在位置: 主页 > 技术文章 > 国家标准

技术文章

Technical Article

国家标准

GB

【煤炭检验国标】GB/T 5447-1997 烟煤粘结指数测定方法

发布日期:2022-08-09 00:09 浏览次数:

中华人民共和国国家标准

GB/T 5447-1997 烟煤粘结指数测定方法

Determination of caking index of bituminous  coal

1. 范围

本标准规定烟煤粘结指数(Gr1指数,简记G指数)的仪器设备、测定方法和结果计算与表述。本标准适用烟煤。


2. 引用标准

下列标准所包含的条文,通过在本标准中引用而够成为本标准的条文。本标准出版时,所示版本均为有效。所有标准都会被修订,适用本标准的各方应探讨使用下列标准最新版本的可能性。

GB474-1996  煤样的制备方法

GB/T  5447-1997 测定烟煤粘结指数专用无烟煤技术条件

3. 方法要点

将一定质量的试验煤样和专用无烟煤,在规定的条件下混合,快速加热成焦,所得焦块在一定规格的转鼓内进行强度检验,用规定的公式计算粘结指数,以表示试验煤样的粘结能力。


4. 专用无烟煤

测定粘结指数专用无烟煤(简称专用无烟煤),符合GB14181规定要求。


5. 仪器设备

5.1  本方法需要下列仪器设备:

5.1.1  分析天平:感量1mg。

5.1.2  灰挥测定仪(马弗炉):具有均匀加热带,其恒温区(850º±10º),长度不小于120mm,并附有调压器或定温控制器。

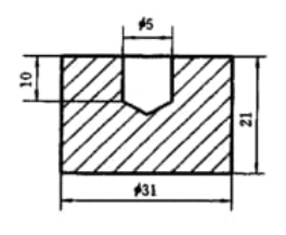
5.1.3  转鼓试验装置:包括两个转鼓、一台变速器和一台电动机,转鼓转速必须保证(50±2)r/min。转鼓内径200mm、深70mm,壁上铆有两块相距180º、厚为3mm的挡板(图1)。

【煤炭检验国标】GB/T 5447-1997 烟煤粘结指数测定方法(图1)

图1转鼓


5.1.4  压力器:以6kg质量压紧试验煤样与专用无烟煤混合物的仪器(图2.)

【煤炭检验国标】GB/T 5447-1997 烟煤粘结指数测定方法(图2)

图2压力器

1—底板;2—沉头螺钉;3—圆座;4—钢管;5—联板;6—堵板;7—支承轴;8—小轴;

9—垫圈;10—开口销;11—支承架;12—手柄;13—压重;14—升降立轴;15—丝堵;

5.2用具:

5.2.1  坩埚和坩埚盖:瓷质(图3)。

【煤炭检验国标】GB/T 5447-1997 烟煤粘结指数测定方法(图3)

图3坩埚和盖

5.2.2  搅拌丝:由直径1mm~1.5mm的硬质金属丝制成(图4)。

【煤炭检验国标】GB/T 5447-1997 烟煤粘结指数测定方法(图4)

图4搅拌丝

5.2.3  压块:镍铬钢制成,质量为110~115g(图5)。

【煤炭检验国标】GB/T 5447-1997 烟煤粘结指数测定方法(图5)

图5压块

5.2.4  圆孔筛:筛孔直径1mm。

5.2.5  坩埚架:由直径3mm~4mm镍鉻丝制成(图6)。

【煤炭检验国标】GB/T 5447-1997 烟煤粘结指数测定方法(图6)

图6坩埚架示意图

5.2.6  秒表。

5.2.7  干燥器。

5.2.8  镊子。

5.2.9  刷子。

5.2.10  带手柄平铲或夹子:送取盛样坩埚架出入马弗炉用。手柄长600mm~700mm,平铲外形尺寸(长×宽×厚)约为200mm×20mm×1.5mm。

6.煤样

6.1  试验煤样按GB474制备成粒度小于0.2mm的空气干燥煤样,其中0.1mm~0.2mm煤粒占全部煤样的20%~30%。煤样粉碎后并在试验前应混合均匀。

6.2  试验煤样应装在密封的容器中,制样后到试验时间不应超过一星期。如超过一星期,应在报告中注明制样和试验时间。

7.试验步骤

7.1  先称取5g专用无烟煤,再称取1g试验煤样放入坩埚(5.2.1),质量应称准到0.001g。

7.2  用搅拌丝(5.2.2)将坩埚内的混合物搅匀2min。搅拌方法是:坩埚作45º左右倾斜,逆时针方向转动,每分钟15转,搅拌丝按同样倾角作顺时针方向转动,每分钟约150转,搅拌时,搅拌丝的圆环接触坩埚壁与底连接处的圆弧部分,约经1min45s后,一边继续搅拌,一边将坩埚与搅拌丝逐渐转到垂直位置,约2min时,搅拌结束,亦可用达到同等搅拌效果的机械装置进行搅拌。在搅拌时,应防止煤样外溅。

7.3  搅拌后,将坩埚壁上的煤粉用刷子(5.2.9)轻轻扫下,用搅拌丝将混合物小心地拨平,并沿坩埚壁的层面略低1mm~2mm,以便压块(5.2.3)将混合物压紧后,使煤样表面处于同一平面。

7.4  用镊子(5.2.8)夹压块(5.2.3)于坩埚中央,然后将其置于压力器(5.1.4)下,将压杆轻轻放下,静压30s。

7.5  加压结束后,压块仍留在混合物上,加上坩埚盖。注意从搅拌时开始,带有混合物的坩埚,应轻拿轻放,避免受到冲击与振动。

7.6  将带盖的坩埚放置在坩埚架(5.2.5)中,用带手柄的平铲或夹子(5.2.10)托起坩埚架,放入预先升温到850º的马弗炉(5.1.2)内的恒温区,要求6min内,炉温应恢复到850º,以后炉温应保持在(850º±10º)。从放入坩埚开始计时,焦化15min,之后,将坩埚从马弗炉中取出,放置冷却到室温。若不立即进行转鼓试验,则将坩埚放入干燥器(5.2.7)中。马弗炉温度测量点,应在两行坩埚中央。炉温应定期校正。

7.7  从冷却后的坩埚中取出压块。当压块上附有焦屑时,应刷入坩埚内。称取焦渣总质量,然后将其放入转鼓内,进行第一次转鼓(5.1.3)试验,转鼓试验后的焦块用1mm圆孔筛(5.2.4)进行筛分,再称量筛上质量,然后,将其放入转鼓进行第二次转鼓试验,重复筛分、称量操作。每次转鼓试验5min即250转。质量均称准到0.01g


8.结果表述

粘结指数(G)按式(1)计算:

G=10+【(30m₁+70m₂)÷m】································(1)

式中:m₁——第一次转鼓试验后,筛上物的质量,g;

m₂——第二次转鼓试验后,筛上物的质量,g:

m—— 焦化处理后焦渣总质量,g;

计算结果取到小数点后一位。

9.补充试验

当测得的G值小于18时,需重做试验。此时,试验煤样和无烟煤的比例改为3:3。即3g试验煤样与3g专用无烟煤。其余实验步骤均和第七章相同,结果按式(2)计算:

G=(30m₁+70m₂)÷5m····································(2)

式中符号意义均与式(1)相同

10.精密度及结果报出

粘结指数测定结果的精密度见表1

表1粘结指数测定的重复性和再现性

【煤炭检验国标】GB/T 5447-1997 烟煤粘结指数测定方法(图7)

以重复试验结果的算术平均值,作为最终结果,报出结果取整数。